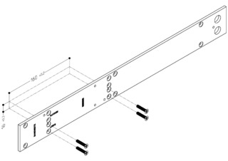
Montageplaat deurdranger * Voor TS 5000 RFS KM / TS 4000 R(-IS) met gatenpatroon conform DIN EN 1154 bijlage 1
- Met gatenpatroon volgens DIN EN 1154 bijlage 1
Toepassingsgebieden
- Montage van het maakcontact volgens DIN-gatenpatroon
Productspecificaties
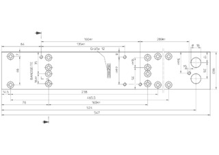
| Montageplaat deurdranger | |
| Montageplaat met gatenpatroon conform EN 1154 bijlage | Ja |
Downloads
LABELLING OBLIGATION: © GEZE GmbH
Varianten & bevestigingsmateriaal
* Opmerking over de weergegeven producten
De hierboven genoemde producten kunnen variëren qua vorm, type, kenmerken en functie (ontwerp, afmetingen, beschikbaarheid, goedkeuringen, normen etc.) afhankelijk van het land. Neem voor vragen contact op met uw GEZE-contactpersoon, of stuur ons een E-Mail .