TS 4000 EN 1-6 met vastzetarm * Deurdranger met schaararm voor eenvleugelige deuren tot 1400 mm vleugelbreedte
- Traploos instelbare sluitkracht EN 1-6
- Zonder aanpassing voor naar rechts en links openende deuren bruikbaar
- Hydraulische eindslag, die de deur net voor de gesloten status versnelt
- Sluitsnelheid kan individueel aangepast worden
- Geïntegreerde openingsdemping, remt krachtig geopende deuren af
- Optische weergave van de sluitkracht voor het eenvoudig controleren van de instelling
Toepassingsgebieden
- Rechtse en linkse aanslagdeuren
- Openhouden van deuren zonder rook- en brandbeveiligingseisen
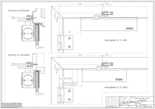
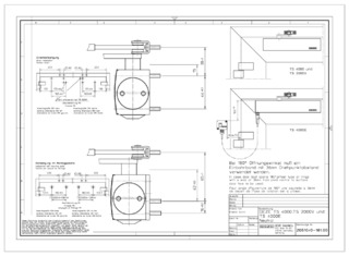
- Aanslagdeuren tot 1400 mm vleugelbreedte
- Deurbladmontage scharnierzijde
- Kopmontage niet-scharnierzijde
- Voor parallelarm-montage op vleugel niet-scharnierzijde
Productspecificaties
| TS 4000 EN 1-6 met vastzetarm | |
| Sluitkracht volgens EN 1154 | EN 1 - 6 |
| Vleugelbreedte (max.) | 1400 mm |
| Type montage | Deurbladmontage scharnierzijde |
| Openingshoek (max.) | 180 ° |
| Sluitkracht instelbaar | Ja, traploos |
| Sluitsnelheid instelbaar | Ja |
| Eindslag instelbaar | Ja, via schaararm |
| Openingsdemping geïntegreerd | Ja, hydraulisch instelbaar |
| Positie sluitkrachtinstelling | Voor |
| Weergave sluitkracht | Ja |
| Vastzetfunctie | Mechanisch |
| Vastzethoek | 50 ° - 170 ° |
Downloads
LABELLING OBLIGATION: © GEZE GmbH
Varianten & bevestigingsmateriaal
* Opmerking over de weergegeven producten
De hierboven genoemde producten kunnen variëren qua vorm, type, kenmerken en functie (ontwerp, afmetingen, beschikbaarheid, goedkeuringen, normen etc.) afhankelijk van het land. Neem voor vragen contact op met uw GEZE-contactpersoon, of stuur ons een E-Mail .